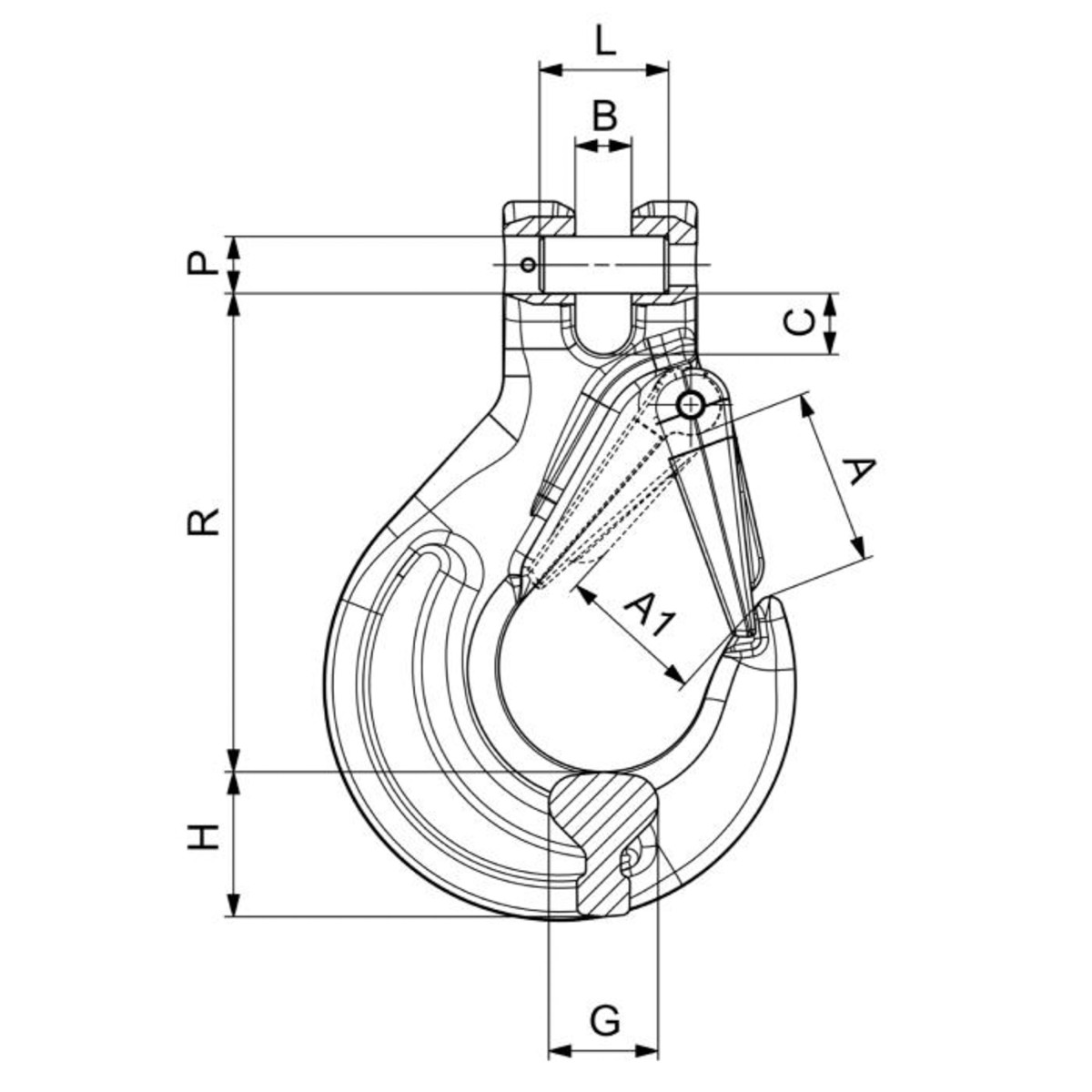
Hak zawiesiowy CBX

Naszą główną linią produktów są różnego rodzaju zawiesia, w tym łańcuchowe, linowe, pasowe, wężowe oraz różne ich kombinacje. W ramach osprzętu dodatkowego udostępniamy kilka rodzajów szakli, ściągaczy, punktów podnoszenia, soketów (końcówek linowych), czy też poszczególnych elementów zawiesiowych takich jak: ogniwa, haki, czy łańcuchy.

Zawiesia łańcuchowe klasa 10

Naszą główną linią produktów są różnego rodzaju zawiesia, w tym łańcuchowelinowe, pasowe, wężowe oraz różne ich kombinacje. W ramach osprzętu dodatkowego udostępniamy kilka rodzajów szakli, ściągaczy, punktów podnoszenia, soketów (końcówek linowych), czy też poszczególnych elementów zawiesiowych takich jak: ogniwa, haki, czy łańcuchy.

W swojej ofercie posiadamy również wiele konstrukcji linowych od prostych linek technicznych (1×19 , czy 6×7), poprzez konstrukcje najbardziej powszechne (6×37 lub WS6x36), a na typowo dźwigowych kończąc (35×7, czy 19×7). Utrzymujemy stały kontakt handlowy z kilkoma uznanymi dostawcami w Polsce i zagranicą, którzy posiadają różny asortyment, a razem tworzą szeroki wachlarz możliwości. Warto również pamiętać, że nawet jeśli nie znaleźli Państwo danej konstrukcji linowej na naszej stronie, to bardzo możliwe, że będziemy w stanie ją zaoferować – zachęcamy do złożenia zapytania.

Oprócz lin stalowych prowadzimy sprzedaż także lin syntetycznych i naturalnych. Dużym zainteresowaniem cieszą się także wciągniki łańcuchowe w tym głównie dźwigniowe i ręczne. Na specjalne życzenie klienta jesteśmy w stanie uzbroić wciągnik w odpowiednio długi łańcuch nośny, jak i napędowy. Ponadto w ofercie posiadamy specjalistyczne haki do wciągników dźwigniowych, w wersji stoczniowej (bardziej masywny korpus haka, skrócony róg haka). Haki te pasują do większości wciągników funkcjonujących na Polskim rynku. Ze względu na fakt, że haki te nie posiadają zapadki, przeznaczone są tylko i wyłącznie do prac przy konstrukcjach stalowych ulokowanych na ziemi (zaginanie blach, dociąganie elementów, itp.).

Na swoim magazynie utrzymujemy również transportowe pasy mocujące głównie w wersji 2-częściowej, o zdolności mocowania 2500/5000daN. Posiadamy także wszystkie niezbędne elementy do wykonania łańcuchowych odciągów mocujących. Na specjalne zamówienie możemy dostarczyć łańcuchowe odciągi mocujące w wersji morskiej. Na potrzeby transportu kolejowego i morskiego utrzymujemy tkane taśmy mocujące oraz specjalne klamry spinające.

Dużą część naszej oferty stanowią różnego rodzaju uchwyty do transportu blach zarówno w poziomie, jak i w pionie, a także innych elementów, jak na przykład: krawężniki, beczki, czy też kręgi betonowe. Jeśli państwo nie znajdą odpowiedniego uchwytu – zachęcamy do złożenia zapytania. Mamy stały kontakt z producentami i w wielu przypadkach udaje się wykonać indywidualnie dopasowany uchwyt (na zamówienie) do potrzeb klienta. Ponadto jesteśmy w stanie zaoferować w interesującej cenie i z krótkim terminem realizacji standardowe, jak i specjalistyczne wersje trawers lub też belek rozporowych. Dystrybuujemy także komponenty hydrauliki siłowej. W swojej ofercie posiadamy produkty dwóch uznanych producentów: Yale i Hi-Force. Dobre kontakty z dostawcami pozwalają nam na szybkie i sprawne realizowanie zamówień naszych klientów. Ponadto w naszej ofercie znajdziecie Państwo osprzęt BHP (szelki bezpieczeństwa, linki asekuracyjne, amortyzatory, zatrzaśniki, itp.), osprzęt kotwiczny (łańcuchy, krętliki, kentery i kotwice), osprzęt do boi (łańcuchy, krętliki i szakle), a także wiele innych produktów bezpośrednio i pośrednio związanych z naszą branżą. Posiadamy szerokie kontakty, a wraz z nimi dostęp do wielu produktów.

Do Państwa dyspozycji,

Maciej Świeściak & Michał Skierś

 

Alfa Logistics Szczecin - zawiesia łańcuchowe, zawiesia linowe, zawiesia pasowe, zawiesia wężowe

ALFA Logistics POLSKA

ALFA Logistics S.C
ul. Gryfińska 105,
70-772 Szczecin, Polska

biuro@alfalogistics.pl
+48 91 433 29 51

ALFA Logistik NIEMCY

ALFA Logistik GbR
Heinrichshoferstr. 24,
16307 Gartz / Oder, Deutschland

kontakt@alfa-logistik.de
+49 (0)1775354395

ALFA Group

Alfa Logistics Szczecin - zawiesia łańcuchowe, zawiesia linowe, zawiesia pasowe, zawiesia wężowe



ALFA Logistic © 2023 - Zawiesia linowe - Zawiesia łańcuchowe